产品类型: 工业电化学气体传感器
产品型号: GM4010-O2
声明: hth官网入口传感保留更改产品设计、规格、参数的权利及资料信息的最终 解释权。欲了解更多关于hth官网入口产品的信息,请致电hth官网入口公司,索取更多详 细的技术资料。

产品概述
GM4010-O?传感器是河南森斯科传感技术有限公司研发生产的一款电化学式氧气传感器。在电极的催化下,工作电极及对电极上分别发生氧化还原反应,从而产生相应大小的电流,产生的电流大小与氧气浓度成正比,通过测定电流的大小即可判定氧气浓度的高低。
主要应用
● 石油化工矿山领域氧气报警器
● 医用制氧机、氧气便携仪、氧气探测器
● 空气质量检测仪表、制氧机氧气监测
● 地下停车场内及商用空气净化设备
● 车内空气品质检测、以及车内净化设备新风系统等领域
本产品用于氧气气体浓度检测,可替换市场常规四系氧气电化学传感器。
技术参数
项目 | 参数 |
型号 | GM4010-O2 |
检测气体 | 氧气O? |
检测范围 | 0-25%vol |
最大负载浓度 | 30%vol |
灵敏度(室温) | 3.8-5.7uA/vol% |
零点漂移(-40°C-50°C) | <0.2vol% |
分辨率 | 0.1%vol |
响应时间(T90) | <15S |
偏置电压 | 0mV |
使用温度范围 | -40°C-50°C |
使用湿度范围 | 15% - 90%RH(无冷凝) |
使用压力范围 | 1±0.1标准大气压 |
年漂移量 | <5% |
建议存储温度 | 10°C-30°C |
使用寿命 | 2年(空气中) |
储存时间 | 6个月(洁净环境) |
质保期 | 1年 |
注:规格在20℃、50%相对湿度和1013毫巴下有效。
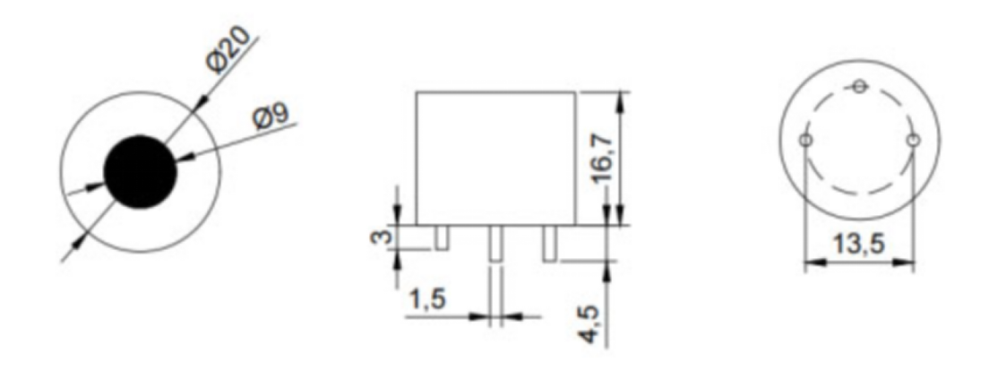
结构尺寸

尺寸单位:mm,公差±0.2mm
注意事项
1、禁止管脚使用锡焊进行连接;
2、通电老化时间不少于24小时;
3、避免长期接触油漆、涂料及高浓度有机挥发性溶剂;
4、使用或储存环境不可为酸碱环境;
5、禁止使用过程中对产品进行挤压等破坏;
6、禁止在传感器上方或旁边使用粘结剂,避免对进气口堵塞。
寿命测试

注:上述寿命测试数据,仅为在实验室测试结果,实际使用寿命需根据现场环境使用情况确定。
温度特性