产品类型: 电化学气体传感器模组
产品型号: GM31P
声明: hth官网入口传感保留更改产品设计、规格、参数的权利及资料信息的最终 解释权。欲了解更多关于hth官网入口产品的信息,请致电hth官网入口公司,索取更多详 细的技术资料。

产品描述
GM31P型电化学甲醛模组是一个通用型、小型化模组。利用电化学原理对空气中存在的CH2O进行探测,具有良好的选择性,稳定性。内置温度传感器,可进行温度补偿;同时具有数字输出与模拟电压输出方式,方便使用。GM31P是将成熟的电化学检测技术与精良的电路设计
紧密结合,设计制造出的通用型气体模组。
模组特点
高灵敏度、高分辨率、低功耗、使用寿命长提供 UART数据输出方式
高稳定性、优秀的抗干扰能力、卓越的线性输出
主要应用
便携式仪表、空气质量监测设备、空气净化机、新风换气系统、空调、智能家居设备等场所。
技术指标
产品型号 | GM31P |
检测气体 | 甲醛 |
干扰气体 | 酒精,一氧化碳等气体 |
输出数据
| UART 输出(3.3V 电平) |
工作电压 | 3.7V~5.5V |
预热时间 | ≤3 分钟 |
响应时间 | ≤60 秒 |
恢复时间 | ≤60 秒 |
量程 | 0~5.000 mg/m3 |
分辨率 | ≤0.010 mg/m3 |
工作温度 | -20℃~50℃ |
工作湿度 | 15%RH-90%RH(无凝结) |
存储温度 | 0~25℃ |
使用寿命 | 2 年(空气中 0℃~35℃) |
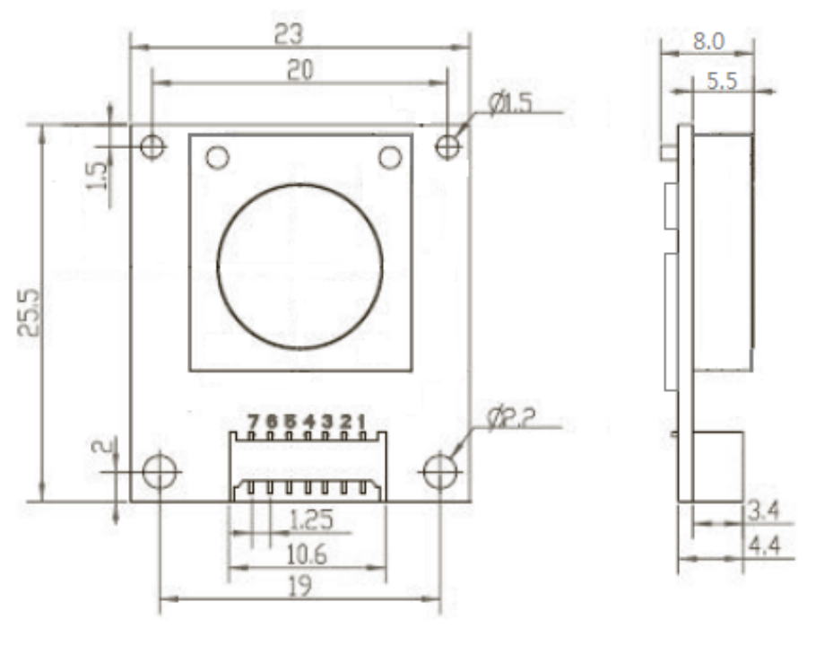
模组尺寸 | 长23mm×宽25.5mm×高6.5mm |
模组尺寸

管脚定义
管脚名称 | 管脚说明 |
Pin1 | NC |
Pin2 | NC |
Pin3 | GND |
Pin4 | Vin(电压输入 3.7V~5.5V) |
Pin5 | UART(RXD) 0~3.3V 数据输入 |
Pin6 | UART(TXD) 0~3.3V 数据输出 |
Pin7 | NC |
通讯协议
1 通用设置
波特率 | 9600 |
数据位 | 8 位 |
停止位 | 1 位 |
校验位 | 无 |
2 通讯命令
通信分为主动上传式和问答式,出厂默认主动上传,每间隔1S发送一次浓度值。
如果用户切换到问答模式下,需要重新切换为主动上传时,发送如下命令行格式即可:
Byte0 | Byte1 | Byte2 | Byte3 | Byte4 | Byte5 | Byte6 | Byte7 | Byte8 |
起始位 | 保留 | 切换命令 | 主动上传 | 保留 | 保留 | 保留 | 保留 | 校验值 |
0xFF | 0x01 | 0x78 | 0x40 | 0x00 | 0x00 | 0x00 | 0x00 | 0x47 |
主动上传的数据显示格式如下:
Byte0 | Byte1 | Byte2 | Byte3 | Byte4 | Byte5 | Byte6 | Byte7 | Byte8 |
起始位 | 气体名称 (CH2O) | 单位 (ppb) | 小数位数 无 | 气体浓度 高位 | 气体浓度 低位 | 满量程 高位 | 满量程 低位 | 校验值 |
0xFF | 0x17 | 0x04 | 0x00 | 0x00 | 0x25 | 0x13 | 0x88 | 0x25 |
注释: 气 体 浓 度 值 (PPB)=( 气 体 浓 度 高 位 *256+ 气 体 浓 度 低 位 ). 当转换为 PPM 时: PPM= PPB/1000.
1PPM×1.25 = 1.25mg/m3.
当用户需要问答模式时,可通过发送如下命令格式来关闭主动上传的数据,再发送读取浓度的命令即可。关闭主动上传的命令行格式如下:
Byte0 | Byte1 | Byte2 | Byte3 | Byte4 | Byte5 | Byte6 | Byte7 | Byte8 |
起始位 | 保留 | 切换命令 | 问答 | 保留 | 保留 | 保留 | 保留 | 校验值 |
0xFF | 0x01 | 0x78 | 0x41 | 0x00 | 0x00 | 0x00 | 0x00 | 0x46 |
问答模式下,读取浓度的命令格式如下:
表 7
Byte0 | Byte1 | Byte2 | Byte3 | Byte4 | Byte5 | Byte6 | Byte7 | Byte8 |
起始位 | 保留 | 命令 | 保留 | 保留 | 保留 | 保留 | 保留 | 校验值 |
0xFF | 0x01 | 0x86 | 0x00 | 0x00 | 0x00 | 0x00 | 0x00 | 0x79 |
返回的传感器浓度值显示格式如下:
表 8
Byte0 | Byte1 | Byte2 | Byte3 | Byte4 | Byte5 | Byte6 | Byte7 | Byte8 |
起始位 | 命令 | 气体浓度高位 (ug/m3) | 气体浓度低位 (ug/m3) | 保留 | 保留 | 气体浓度 高位(ppb) | 气体浓度 低位(ppb) | 校验值 |
0xFF | 0x86 | 0x00 | 0x2A | 0x00 | 0x00 | 0x00 | 0x20 | 0x30 |
气体浓度值=气体浓度高位*256+气体浓度低位
3 校验和计算
校验和 = (取反(Byte1+Byte2+……+Byte7))+ 1
参考例程如下:
/**********************************************************************
* 函数名: unsigned char FucCheckSum(uchar *i,ucharln)
* 功能描述:求和校验(取发送、接收协议的1\2\3\4\5\6\7的和取反+1)
* 函数说明:将数组的元素1-倒数第二个元素相加后取反+1(元素个数必须大于2)
**********************************************************************/
unsigned char FucCheckSum(unsigned char *i,unsigned char ln)
{
unsigned char j,tempq=0; i+=1;
for(j=0;j<(ln-2);j++)
{
tempq+=*i; i++;
}
tempq=(~tempq)+1; return(tempq);
}
交叉干扰特性
本传感器模组能对除目标气体外的其它部分气体产生响应。现将该传感器对几种常见干扰气体的响
应特性列于下表,以供参考。表中数据为气体在给定浓度下的典型响应。
表 2: 交叉干扰特性
气体 | 浓度/PPM | HCHO等同浓度/PPM |
甲醛 | 5 | 5 |
苯 | 10 | 0.1 |
甲苯 | 10 | 0.46 |
乙酸 | 200 | 0.52 |
酒精 | 100 | 40.6 |
硫化氢 | 50 | 3 |
一氧化碳 | 200 | 0.64 |
注意事项
n 安装2.54mm接插针焊接时应快速完成上锡焊接,避免烙铁长时间高温对传感器结构造成破坏;
n 使用前老化时间不少于 48小时;
n 电解液泄漏会造成损害,请勿随意拆解传感器;
n 传感器避免接触有机溶剂(包括硅橡胶及其它胶粘剂)、涂料、药剂、油类及高浓度气体;
n 所有电化学传感器不可用树脂材料完全封装,也不可浸没在无氧环境中,否则会损坏传感
器的性能;
n 所有电化学传感器不能长时间应用于含有腐蚀性气体的环境中,腐蚀性气体会损害传感器;
n 气体零点测定时,须在洁净的大气中进行;
n 传感器测试和应用时,须避免正面垂直进气;
n 传感器的进气面不得阻塞、不得污染;
n 传感器上方防水透气膜严禁揭开、人为损坏;
n 传感器不可过度的撞击或震动;
n 外壳有破损、变形等情况下请不要使用;
n 高浓度的气体环境中长时间使用后,传感器恢复到初期状态较缓慢;
n 传感器贮存时工作电极与对电极应处于短路状态;
n 禁止用热熔胶或者固化温度高于 80℃以上的密封胶封装传感器;
n 禁止长时间在高浓度碱性气体中存放和使用。